Jump to Navigation
NetQuakes Data
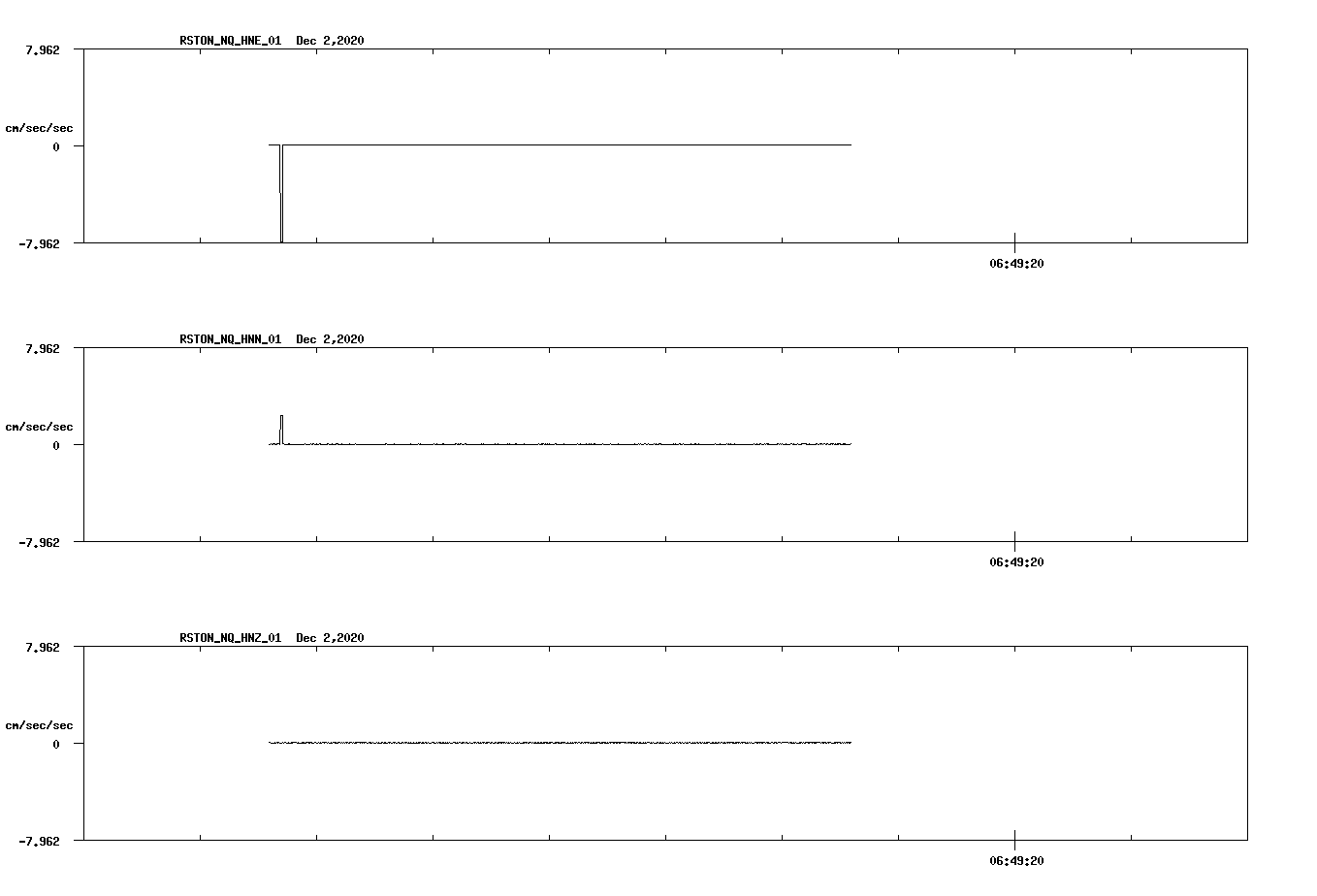
RSTON_NQ_01 - USGS National Center, Reston, VA
Dec 2, 2020 06:49:12 UTC
«
Back to instrument RSTON_NQ_01
NetQuakes
Overview
View data
Sign up
FAQ
Home
Earthquakes
Hazards
Science
Monitoring
Education
Data
Maps
Multimedia
Publications
Web Tools
Software
News
Connect
Partners
About
Search