Jump to Navigation
NetQuakes Data
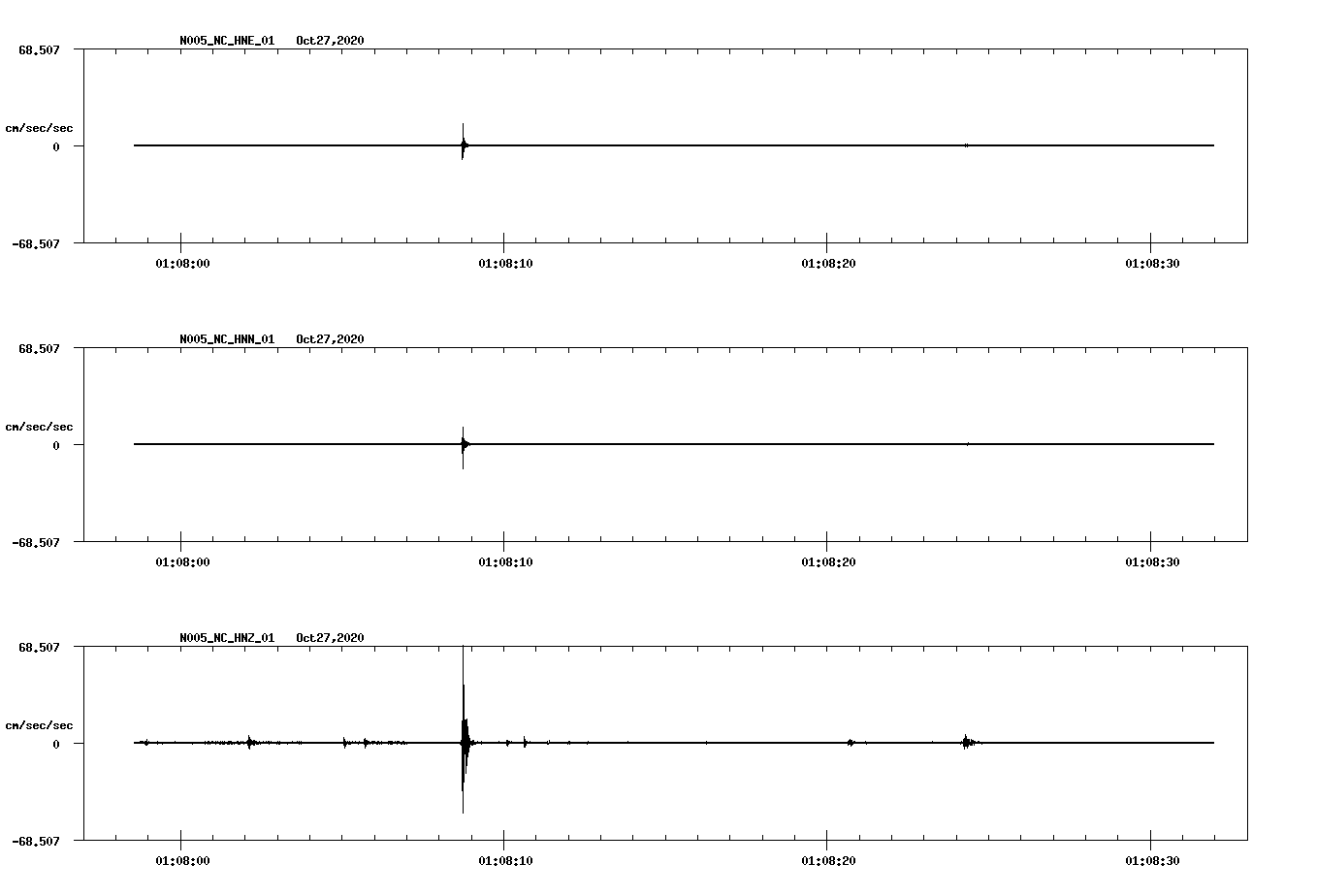
N005_NC_01 - Pan Abode Ct, Santa Rosa, CA
Oct 27, 2020 01:07:57 UTC
«
Back to instrument N005_NC_01
NetQuakes
Overview
View data
Sign up
FAQ
Home
Earthquakes
Hazards
Science
Monitoring
Education
Data
Maps
Multimedia
Publications
Web Tools
Software
News
Connect
Partners
About
Search