Jump to Navigation
NetQuakes Data
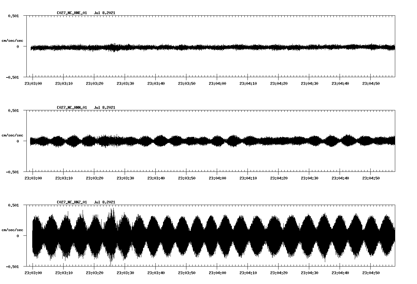
C027_NC_01 - Lawnview Circle, Danville, CA
Jul 8, 2021 23:02:58 UTC
«
Back to instrument C027_NC_01
NetQuakes
Overview
View data
Sign up
FAQ
Home
Earthquakes
Hazards
Science
Monitoring
Education
Data
Maps
Multimedia
Publications
Web Tools
Software
News
Connect
Partners
About
Search